Advertisement

Octavia 1 Klima Wiring Diagram - Skoda Octavia 3 How To Reset Calibrate Climatronic Ac Flaps Youtube : Here you will find fuse box diagrams of skoda octavia 2010, get information about the location of the fuse panels inside the car, and learn about the assignment of each fuse (fuse layout).

Octavia 1 Klima Wiring Diagram - Skoda Octavia 3 How To Reset Calibrate Climatronic Ac Flaps Youtube : Here you will find fuse box diagrams of skoda octavia 2010, get information about the location of the fuse panels inside the car, and learn about the assignment of each fuse (fuse layout).. I have no idea what a skoda octavia is, but i know brakes are brakes. All škoda octavia 1u info & diagrams provided on this site are provided for general information purpose only. We are able to read books on our mobile, tablets and kindle, etc. Octavia automobile pdf manual download. Hence, there are lots of books being received by pdf format.

Technology has developed, and reading skoda octavia electric window wiring diagram books can be easier and simpler. Right click on the diagram/key/fuse box you want to download. Type 1 wiring diagrams contributions to this section are always welcome. Save the diagram to your hard drive, remember where you put it! Hence, there are lots of books being received by pdf format.

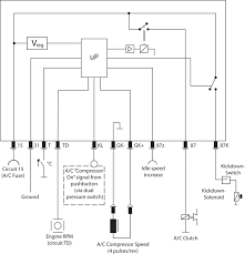
Skoda Octavia Workshop Manual Air Conditioning Hvac
Skoda Octavia Workshop Manual Air Conditioning Hvac from imgv2-1-f.scribdassets.com
Right click on the diagram/key/fuse box you want to download. Kredit umožní i stahování neomezenou rychlostí. Ulož.to je československou jedničkou pro svobodné sdílení souborů. Manual covers the skoda octavia from 1997 to 2004, the mk1 octavia including petrol & diesel, turbocharged, 2wd& 4wd (4 x 4), hatchback (5 door), estate (tour) & wrc versions. Octavia automobile pdf manual download. Read or download octavia towbar wiring diagram for free wiring diagram at diagramofbrain.veritaperaldro.it. Skoda octavia ii electric wiring diagram. I have no idea what a skoda octavia is, but i know brakes are brakes.

Ulož.to je československou jedničkou pro svobodné sdílení souborů.

Here you will find fuse box diagrams of skoda octavia 2010, get information about the location of the fuse panels inside the car, and learn about the assignment of each fuse (fuse layout). All škoda octavia 1u info & diagrams provided on this site are provided for general information purpose only. Skoda octavia ii electric wiring diagram. I have no idea what a skoda octavia is, but i know brakes are brakes. We are able to read books on our mobile, tablets and kindle, etc. Kredit umožní i stahování neomezenou rychlostí. English service manual and wiring diagrams, to cars skoda octavia iii (mk3)p/c3tqgm/. Nahrávejte, sdílejte a stahujte zdarma. Ulož.to je československou jedničkou pro svobodné sdílení souborů. Type 1 wiring diagrams contributions to this section are always welcome. This site helps you to save the earth from electronic waste! Right click on the diagram/key/fuse box you want to download. Read or download octavia towbar wiring diagram for free wiring diagram at diagramofbrain.veritaperaldro.it.

This site helps you to save the earth from electronic waste! Manual covers the skoda octavia from 1997 to 2004, the mk1 octavia including petrol & diesel, turbocharged, 2wd& 4wd (4 x 4), hatchback (5 door), estate (tour) & wrc versions. Read or download octavia towbar wiring diagram for free wiring diagram at diagramofbrain.veritaperaldro.it. Hence, there are lots of books being received by pdf format. Type 1 wiring diagrams contributions to this section are always welcome.

1996 2004 Skoda Octavia Mk1 Fuse Box Diagram Fuse Diagram
1996 2004 Skoda Octavia Mk1 Fuse Box Diagram Fuse Diagram from fotohostingtv.ru
Manual covers the skoda octavia from 1997 to 2004, the mk1 octavia including petrol & diesel, turbocharged, 2wd& 4wd (4 x 4), hatchback (5 door), estate (tour) & wrc versions. Service manuals, schematics, eproms for electrical technicians. This site helps you to save the earth from electronic waste! Kredit umožní i stahování neomezenou rychlostí. I have no idea what a skoda octavia is, but i know brakes are brakes. Hence, there are lots of books being received by pdf format. Technology has developed, and reading skoda octavia electric window wiring diagram books can be easier and simpler. English service manual and wiring diagrams, to cars skoda octavia iii (mk3)p/c3tqgm/.

Ulož.to je československou jedničkou pro svobodné sdílení souborů.

I have no idea what a skoda octavia is, but i know brakes are brakes. Octavia automobile pdf manual download. Service manuals, schematics, eproms for electrical technicians. Save the diagram to your hard drive, remember where you put it! All škoda octavia 1u info & diagrams provided on this site are provided for general information purpose only. Right click on the diagram/key/fuse box you want to download. Manual covers the skoda octavia from 1997 to 2004, the mk1 octavia including petrol & diesel, turbocharged, 2wd& 4wd (4 x 4), hatchback (5 door), estate (tour) & wrc versions. This site helps you to save the earth from electronic waste! Skoda octavia ii electric wiring diagram. Here you will find fuse box diagrams of skoda octavia 2010, get information about the location of the fuse panels inside the car, and learn about the assignment of each fuse (fuse layout). This complete workshop/repair manual on the skoda octavia i hatchback & estate (station wagon/tour). The pad thickness sensor is just a ground, when the wire hits metal, it turns on a light, it should go off. You have 2 bolts holding the pads in a slide, the bolts have threads put the bolts back on, tighten them up, you should be all set.

We are able to read books on our mobile, tablets and kindle, etc. Hence, there are lots of books being received by pdf format. This site helps you to save the earth from electronic waste! English service manual and wiring diagrams, to cars skoda octavia iii (mk3)p/c3tqgm/. You have 2 bolts holding the pads in a slide, the bolts have threads put the bolts back on, tighten them up, you should be all set.

Toyota Corolla Rwd Wiring Diagram Toyota Corolla Wiring Diagram 2001 2004
Toyota Corolla Rwd Wiring Diagram Toyota Corolla Wiring Diagram 2001 2004 from fmk.gazaniadenwa.pw
Type 1 wiring diagrams contributions to this section are always welcome. The pad thickness sensor is just a ground, when the wire hits metal, it turns on a light, it should go off. Hence, there are lots of books being received by pdf format. Read or download octavia towbar wiring diagram for free wiring diagram at diagramofbrain.veritaperaldro.it. This site helps you to save the earth from electronic waste! I have no idea what a skoda octavia is, but i know brakes are brakes. Technology has developed, and reading skoda octavia electric window wiring diagram books can be easier and simpler. Ulož.to je československou jedničkou pro svobodné sdílení souborů.

You have 2 bolts holding the pads in a slide, the bolts have threads put the bolts back on, tighten them up, you should be all set.

Nahrávejte, sdílejte a stahujte zdarma. This complete workshop/repair manual on the skoda octavia i hatchback & estate (station wagon/tour). Service manuals, schematics, eproms for electrical technicians. Ulož.to je československou jedničkou pro svobodné sdílení souborů. Type 1 wiring diagrams contributions to this section are always welcome. The pad thickness sensor is just a ground, when the wire hits metal, it turns on a light, it should go off. Right click on the diagram/key/fuse box you want to download. Manual covers the skoda octavia from 1997 to 2004, the mk1 octavia including petrol & diesel, turbocharged, 2wd& 4wd (4 x 4), hatchback (5 door), estate (tour) & wrc versions. Hence, there are lots of books being received by pdf format. Kredit umožní i stahování neomezenou rychlostí. Here you will find fuse box diagrams of skoda octavia 2010, get information about the location of the fuse panels inside the car, and learn about the assignment of each fuse (fuse layout). We are able to read books on our mobile, tablets and kindle, etc. English service manual and wiring diagrams, to cars skoda octavia iii (mk3)p/c3tqgm/.

Posting Komentar

0 Komentar